Im Schlafzimmer betreibe ich eine Yamaha Pianocraft RX-E400 Anlage mit einem Paar Nubox 313. Im Grunde bin ich mit der Kombi super zufrieden, aber als ich hier im Forum auf die Auftrennung einer Yamaha Kompaktanlage durch rudijopp gestoßen bin, wurde die Neugier und der Basteltrieb geweckt. (viewtopic.php?f=10&t=23833)
Warum das ganze? Im Wohnzimmer ist zu den Nuline 84 ein ATM eingeschleift. Wenn sich die Nubox 313 auch toll im Tiefgang erweitern lässt, warum nicht mit dem ATM für die 313 oder dem ATM Universal versuchen?
Meine Fragen sind nun,
⁃ macht das überhaupt Sinn?
⁃ technisch überhaupt möglich?
⁃ die Anlage hat Tape Ein-/Ausgänge, braucht es dann die Auftrennung überhaupt?
⁃ die Anlage hat einen Subwoofer-Ausgang, das Geld für ein ATM doch besser in einen preiswerten Woofer stecken?
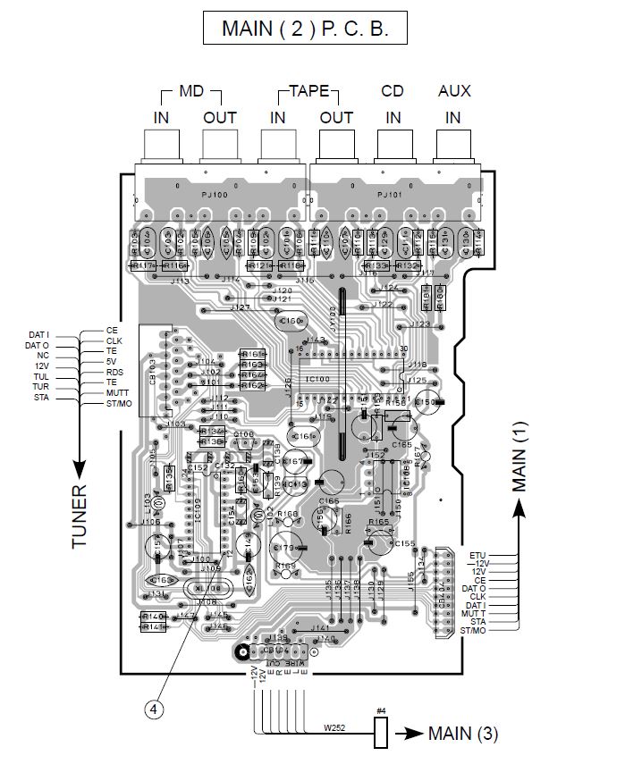
Ich hab hier mal einen Schaltplan zur Anlage in einem anderen Forum gefunden und den entsprechenden Artikel, indem jemand einen Line-Out ergänzt hat.
http://www.hifi-forum.de/viewthread-71-9609.html
http://www.hifi-forum.de/bild/yamaha-rx ... 96587.html
Wie müsste ich überhaupt bei dem Modell vorgehen zur Auftrennung? Bei Bedarf kann ich auch Bilder der Platine schicken, aber bevor ich dran rumschraube erst mal die Basics abklären
An der Anlage wird Radio gehört und ein TV ist über den AUX-Eingang angeschlossen (TV optical out —> toslink auf cinch wandler —> AUX-in Pianocraft).
Ein Bluetooth Empfänger hängt an einem zweiten Eingang.
Würde mich über Rückmeldungen freuen

